- idei.sk
- SPRCHA
- Sprchové vaničky
- Aquatek SMC štvrťkruhová sprchová vanička 80/90 cm
Aquatek SMC štvrťkruhová sprchová vanička 80/90 cm
- Doprava ZADARMO

- Zľava až do 50%
- Popis
- Rozmery a parametre
- Otázky a Odpovede 0
- Súvisiaci tovar6
Aquatek SMC štvrťkruhová sprchová vanička 80/90 cm1-2 dni (skladom)cena od 122,69 €/ kscena od 99,75 € bez DPH
Záruka 24 mesiacov. Vysoká pevnosť a antibakteriálna úprava.
Tvrdený polymér je materiál vyznačujúci sa vysokou pevnosťou. Sprchové vaničky majú vďaka nemu dlhú životnosť. Pri sprchových vaničkách od výrobcu Aquatek oceníte taktiež to, že sa vyrábajú s antibakteriálnou povrchovou úpravou, ktorá eliminuje rast plesní a zadržiavanie baktérií na vaničke.
Dostupné rozmery:
| 80 x 80 cm | 90 x 90 cm |
![]() | ![]() |
Charakteristika
- rozmer: 90x90 cm
- rádius: R550
- výška vaničky 3,5 cm
- materiál: tvrdený polymér
- farba: biela lesklá hladká
- otvor pre sifón s priemerom 90 mm
- v cene taktiež sifón
- vrátane krytky sifónu v chrómovej farbe
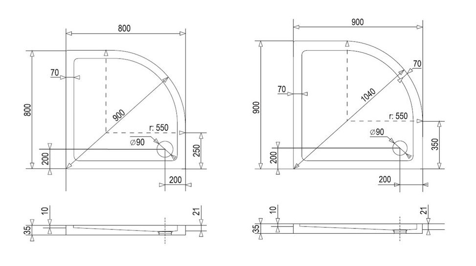
Technický nákres sprchovej vaničky Aquatek SMC 80x80 a 90x90 cm
Na stiahnutie
Technický nákres Originál sifónu ku sprchovej vaničke SMC
O výrobcovi Aquatek
Aquatek je slovenský výrobca luxusných kútov najvyššej kvality. Zo stoviek predaných kútov a dverí neevidujeme jedinú reklamáciu. Výrobca Aquatek ponúka k sprchovým kútom aj kvalitné sprchové vaničky, ktoré tvoria dokonalú súhru so sprchovým kútom. Aj pri sprchových vaničkách si môžete byť istí kvalitou v podobe vysokej pevnosti.















